Terug naar overzicht

Tetra Therm

Tetra Therm Lacta C8

Assortiment
Warmtewisselaar
Categorie
Platenwarmtewisselaar
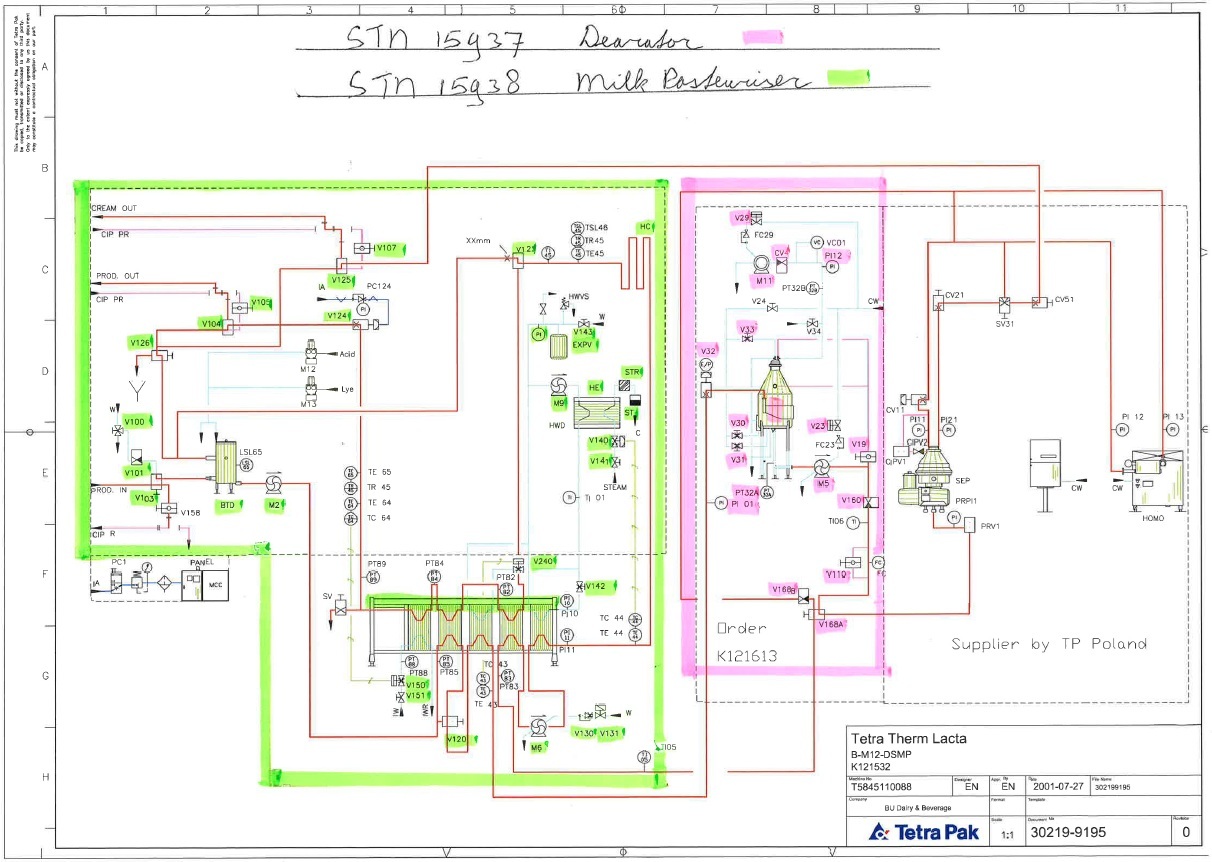
Stock nummer
STN15938
Type
Lacta C8
Bouwjaar
2001
Capaciteit
12.000 liter per hour
Milk pasteuriser skid mounted, Model Tetra Therm lacta with balance tank, pumps (1 x flushed seal), holding and Alfa Laval C8-SR plate heat exchanger, 4 sections, thermal cycle 4-55 (out separator)-65 (out deaerator)-75 (holding)-4°C. P&ID and documentation: electrical diagram included. Dimensions skid: 250x110x300 (lxwxh) cm weight: 605 kg - plate heat exchanger weight: 1.571 kg.

Veelgestelde vragen

Kan LDFE mij helpen met het installeren?

Ja, indien gewenst kunnen onze monteurs de apparatuur op uw locatie installeren. Ook bieden we assistentie op afstand door het geven van instructies door videobellen of bediening op afstand (indien geïnstalleerd).

Wat betekenen de condities ‘complete revisie’, ‘goede werking’ en ‘as is’?

We kunnen onze machines in drie condities aanbieden: ‘complete revisie’, ‘goede werking’ en ‘as is’. ‘Complete revisie’ verwijst naar het volledig reviseren van een gebruikte machine om deze een tweede leven te geven. Onze standaard bij complete revisie van machine is:

  • Het strippen tot het frame; stalen onderdelen stralen en spuiten
  • Alle slijtage onderdelen; lagers, bussen, pakkingen, vervangen
  • Beschadigde of versleten onderdelen vervangen
  • Nieuwe bekabeling en besturing (nieuwste updates)
  • Garantie voor 6 maanden
  • Garantie op de levering van onderdelen voor 5 jaar
  • Optie: begeleiding bij in gebruikname en training operators
  • Optie: CE markering
  • Optie: maatwerk / aanpassingen

Het kopen van een machine in ‘goede werking’ is een goedkopere oplossing. In deze conditie reviseren we de machine niet volledig, maar verrichten we de noodzakelijke werkzaamheden om de machine in werkende staat te krijgen. De machine wordt getest in onze werkplaats en componenten worden alleen vervangen indien noodzakelijk. Deze prijs is altijd onderhevig aan voorwaarden, omdat het tijdens de werkzaamheden aan de machine soms duidelijk wordt dat er dure onderdelen vervangen moeten worden. Als dit het geval is, ontvangt de koper een offerte voor de extra kosten en krijgt hij ook de optie om de aankoop te annuleren.

Machines worden bijna altijd uit de fabriek gekocht en kunnen in dezelfde staat weer ingezet worden. Daarom bieden wij de machines ook aan in de staat zoals wij deze aankopen: ‘as is’

Zijn gebruikte machines betrouwbaar?

Sinds 1996 werken we al vanaf dezelfde locatie met gebruikte machines en we groeien ieder jaar.  Als er een (klein) probleem optreedt, proberen we met onze klanten een oplossing te vinden. Dankzij onze ervaring met gebruikte machines zijn we altijd een betrouwbare partner gebleken.

Biedt LDFE ook nieuwe machines aan?

Ja, voornamelijk process equipment zoals  pasteurs, standaardisatie equipment, CIP units, kaas UHT units etc. Een hybride vorm van nieuw en gebruikt is ook mogelijk.

Vraag hier je offerte aan

Contactgegevens

+31(0)348-558080
info@lekkerkerker.nl

Adres

Handelsweg 4
3411 NZ Lopik, Nederland

Openingstijden

Ma - Do: 07.30 - 17.00 UTC+1
Vr: 07.30 - 16.30 UTC+1